028-64595046
首页
关于我们
公司简介
新闻资讯
行业资讯
公司新闻
热点新闻
服务范围
职业卫生检测
职业病防护设施“三同时”
职业病危害现状评价
环境监测
公共卫生、生活饮用水检测、学校卫生检测和一次性医疗
安全技术服务
项目公示
客户留言
人才招聘
联系我们
您现在的位置:
首页
> > 项目公示
服务范围
职业卫生检测
职业病防护设施“三同时”
职业病危害现状评价
环境监测
公共卫生、生活饮用水检测、学校卫生检测和一次性医疗
安全技术服务
最新新闻
News
N
第三方检测实验室是什么
什么叫第三方检测机构?
第三方检测机构公司要具备什么资质
第三方检测报告费用是多少 影响因素有哪些
热搜关键词
Keywords
K
联系我们
Contact Us
C
析谱科技(成都)有限公司
电 话:028-64595046
传 真:028-64595046
邮 箱:
网 址:
地 址:成都市郫都区成都现代工业港南片区西源大道4499号
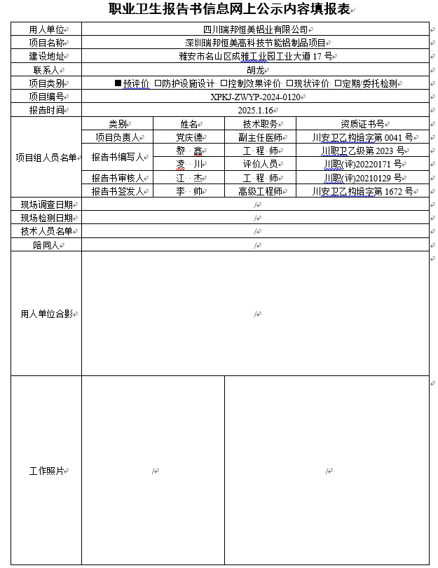
四川瑞邦恒美铝业有限公司职业病危害因素预评价
发表时间:
2025-01-17
阅读次数: 字体:【
大
中
小
】
上一篇:
四川佳电宝精密电子有限公司职业病危害因素现状评价
下一篇:
芦山雅诚纺织品有限公司职业病危害因素现状评价